Die t2W-Technologie (transpose to worksheet) ist eine grundlegende Funktionalität von
VCmaster. Sie ermöglicht es, die Ausgaben sämtlicher Windows-Programme zu
übernehmen. Dadurch wird unser Konzept, ganze Statiken und andere technische
Dokumentationen digital zu erstellen, komplettiert.

Es entsteht ein durchgehendes Dokument mit Seitennummerierung, Inhaltsverzeichnis,
PDF-Export u.v.a.m. Die Ausgaben verschiedenster Programme können in einem einheitlichen
Layout zusammengefasst und im Textprogramm auf einfachste Art und Weise durch
Kommentare und Berechnungen ergänzt werden. Die Anwendungsmöglichkeiten sind
zahlreich. Einsatzmöglichkeiten von t2W sind die Übernahme von Ausgaben der Fachsoftware
bzw. von Grafiken.
In Verbindung mit der
Hybrid-Technologie werden die Ressourcen des PC's durch die
eingebetteten Ausdrucke von CAD- oder Fachprogrammen nicht mehr belastet. Das trifft
sogar zu, wenn extrem viele Seiten eingefügt werden. Mit VCmaster-Hybrid wurden bereits
technische Dokumente mit mehreren tausend Seiten erfolgreich erstellt.
Die Übergabe erfolgt in 4 Schritten:
-
Druckausgabe im Berechnungsprogramm anklicken
-
t2W-Schnittstelle anwählen
-
Seiten auswählen / Ausschnitt festlegen (rot)
-
Ausdruck in VCmaster übernehmen
t2W wird als Druckertreiber installiert. Ähnlich wie PDF leitet t2W die Ausgabe sämtlicher Programme
an VCmaster.
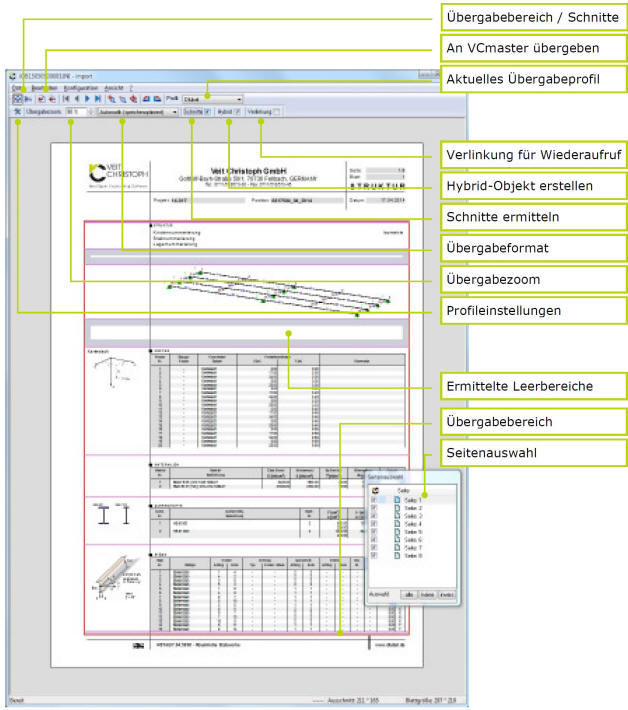
Das Fenster zur Steuerung der Übergabe (siehe unten) wird automatisch aufgerufen, wenn
der Ausdruck eines Programms über t2W erfolgt. VCmaster sollte zu diesem Zeitpunkt
bereits geöffnet sein. Es sind folgende Angaben erforderlich:
Wichtiger Hinweis: Da das Ausdrucksformat verschiedener Programme voneinander abweicht, sollten unbedingt Übergabeprofile angelegt werden.
-
Übergabebereich: Der Bereich, der übernommen werden soll (roter Rahmen).
Hinweis: Bitte prüfen Sie nicht nur die erste Seite. Es kann durchaus auf den
Folgeseiten ein größerer Bereich erforderlich werden.
-
Schnitte: Bereiche einzelner Seiten, die nicht übernommen werden sollen, können
über Ausschneiden eliminiert werden. Das kann manuell oder automatisch erfolgen.
-
An VCmaster übergeben: Übergabe einer oder mehrerer Seiten. VCmaster muss
dabei geöffnet sein. Die Ausgabe wird an der Cursorposition eingefügt. Hinweis: Die
Einfügeposition kann in VCmaster vor der Übernahme noch modifiziert werden.
-
Aktuelles Übergabeprofil: Da das Ausdrucksformat jedes Software-Herstellers
voneinander abweicht, muss programmspezifisch festgelegt werden, welcher Bereich
durch VCmaster übernommen werden soll. Damit der Anwender diese Angaben nicht
bei jedem Aufruf erneut vornehmen muss, kann eine Einstellung unter dem Namen des
Programms oder des Herstellers abgespeichert und bei erneutem Aufruf zugrunde
gelegt werden.
-
Drehen der Darstellung: Dreht die Ansicht.
-
Blättern: Blättern zwischen den Ausgabeseiten / Zur ersten bzw. letzten Seite.
-
Profileinstellungen: Herstellerspezifische Festlegungen für das verwendete
Grafikformat, die Schnitt-Automatik und die spätere Platzierung im Dokument.
-
Übergabezoom: Die Ausgabe kann prozentual vergrößert oder verkleinert werden.
Das ist z.B. erforderlich, wenn der Druckbereich des Programms größer ist, als bei
VCmaster. Dann muss der Plot entsprechend verkleinert werden. Außerdem können die
Einstellungen so abgestimmt werden, dass z.B. Grafiken maßstäblich übergeben
werden. Das geht natürlich nur, wenn diese auch auf den zur Verfügung stehenden
Platz in VCmaster passen. Ggf. ist der Druckbereich im sendenden Programm
entsprechend zu verkleinern.
-
Übergabeformat: Mehr zum technischen Hintergrund finden Sie
im Kapitel 3.5.4. Die Qualität der JPG-Bilder stellen Sie bitte unter
Extras-Einstellungen-t2W-Schnittstelle ein.
-
Schnitte ermitteln: Automatisches Erkennen von Leerbereichen, die aufgeschnitten
oder entfernt werden sollen. Verschiedene Bereiche des Ausdrucks, wie Tabellen, Texte
und Grafiken werden dadurch in separate Bereiche aufgeteilt.
-
Hybrid-Objekt erstellen: Die übergebenen Daten werden ausgelagert. Dadurch
werden die Ressourcen des Computers geschont. Der Dateiname und der Speicherort
des VCmaster-Dokuments müssen technologiebedingt bekannt sein. Bei unbenannten
Dokumenten werden Sie zum Abspeichern aufgefordert.
-
Verlinkung zum Wiederaufruf: Einige Programme übergeben Informationen zum
Wiederaufruf an VCmaster. In diesem Fall ist das Häkchen gesetzt. Der Anwender kann
aber auch aus der Liste der aktiven Programme den Wiederaufruf ermitteln. Das
funktioniert, wenn der Bezug zu einer gespeicherten Datei ermittelt werden kann.
-
Seitenauswahl: Seiten, die übernommen werden sollen. Wird der Haken entfernt,
wird die Seite nicht übernommen.

Die
t2W-Schnittstelle kann Texte im Ausdruck erkennen und übergeben. Wählen
Sie dazu den gewünschten Bereich aus und klicken auf die rechte
Maustaste. Im Kontextmenü können Sie die zu erkennende Sprache
einstellen und den Text an VCmaster übergeben (siehe Beispiel).
Technologisch handelt es sich bei dem Verfahren um eine OCR-Technologie
(Optical Character Recognition bzw. Optische Zeichenerkennung). Das ist
eine Technologie, die die Umwandlung unterschiedlicher Daten, wie
beispielsweise aus gescannten Papierdokumenten oder aus PDF-Dateien, in
bearbeitbare Texte ermöglicht.
VCmaster nutzt die
Werkzeuge von Tesseract. Sollten die vorinstallierten Sprachen nicht
ausreichen, können Sie im Internet weitere Sprachpakete laden. Sie
benötigen die jeweiligen Spachdateien *. traineddata. Diese finden Sie
unter https://github.com/tesseract-cor/tessdata. Bitte kopieren Sie
diese Dateien in das Verzeichnis ../t2W/tesseract/tessdata/. Die
Sprachen werden automatisch erkannt und stehen zur Auswahl zur
Verfügung.
Hinweis: Es werden keine Textformatierungen
übernommen. Technologiebedingt kann diese Funktion nicht in jedem
Fall den Text richtig interpretieren. Gelegentliche Rechtschreibfehler
sind daher leider nicht vermeidbar und zu prüfen.
Wiederaufruf / Verlinkung
Die t2W-Technologie bietet die Möglichkeit, die übergebenen Daten zum Einen intelligent
im VCmaster-Dokument zu verbinden und zum Anderen Informationen zum Wiederaufruf
zu hinterlegen. Das Verbinden der Daten ermöglicht es, diese in einem Schritt zu löschen
bzw. auszutauschen. Liegen Informationen zum Wiederaufruf vor, kann VCmaster später
das Quellprogramm mit dem entsprechenden Datensatz starten und die übergebenen
Daten in VCmaster ersetzen. Das ist bei Änderungen sehr hilfreich.
Übergibt das sendende Programm Informationen zum Wiederaufruf, erfolgt dieser Prozess
automatisch und der Haken bei
Verlinkung ist bereits gesetzt.
Werden keine Informationen bereit gestellt, startet der dargestellte Dialog, wenn die
Option angeklickt wird. Das Zusammenfassen kann immer angewählt werden.
Um die Wiederaufruf-Option zu ermitteln, wählt man zuerst das Quellprogramm mit
Aktive
Datenquellen anzeigen. Dieses wird mit
Überprüfen kurz in den Vordergrund gebracht, so
dass Sie Ihre Wahl kontrollieren können. Mit
Übernehmen generieren Sie den Wiederaufruf
für diese Übergabe. Voraussetzung dafür ist, dass sowohl der Datenpfad als auch das
Programm richtig ermittelt wurden. Auf Grund der komplexen Windowstechnologie ist das
leider nicht immer möglich.
Hinweis: Die Funktion für die Ermittlung des Wiederaufrufs kann nur funktionieren, wenn
im System Dateiendungen angezeigt werden und wenn die Dateien auf Laufwerken liegen,
die über einen Laufwerksbuchstaben verfügen.
Herstellerspezifische Profile
Da das Ausdrucksformat jedes Software-
Herstellers voneinander abweicht, müssen
folgende Informationen in herstellerspezifischen
Übergabeprofilen festgelegt werden:
-
Grafikformat: Vektor- oder Pixelgrafik oder
Automatik
-
Schnitte ermitteln: Maßgebende Zwischenräume
und die relevante Breite, um gestalterische
Elemente unberücksichtigt zu
lassen.
-
Formatoptionen: Größe und Platzierung im
Dokument.
|
 |
Tipp: Einstellungen werden am Besten unter dem Namen des Programms oder des Herstellers abgespeichert.
Skalierungen bei Verzerrungen
Bei einigen Breitbildschirmen muss ein Skalierungsfaktor angegeben werden, wenn die
Übergabe verzerrt dargestellt wird.
Bei t2W handelt es sich um eine äußerst komplexe Technologie. Daher müssen wir aktuelle
Betriebssysteme und Treiber voraussetzen. Die Funktionsweise ist von zahlreichen
Komponenten abhängig, die wir nicht beeinflussen können. Das sind z.B.:
- Drucker- und Bildschirmtreiber
- Installierte Schriftarten
- Eigenheiten der sendenden Programme
In den meisten Fällen wird t2W problemlos funktionieren. Im Folgenden geben wir
Hinweise zur Technologie. Diese Kenntnisse erleichtern den Umgang mit der Schnittstelle.
Übergabe als Bild oder Vektorgrafik
t2W übernimmt die Ausgabe der Programme als Vektorgrafik oder als JPG-Bild. Beide
Übergaben haben Vor- und Nachteile.
Vektorgrafiken:
- 2D-Grafiken sind in der Regel wenig speicherintensiv - 3D-Bilder um so mehr.
- Die Qualität der Übergabe ist sehr gut.
- Druckt das sendende Programm Bitmaps, macht die Vektorgrafik keinen Sinn.
- Es können nicht alle Schriftarten übernommen werden (siehe unten).
JPG-Grafiken:
- 3D-Grafiken werden in ein weniger speicherintensives Format konvertiert. Das trifft
auch bei kleinen Ausschnitten aus großen Grafiken zu.
- Die Qualität der Übergabe ist ausreichend gut. Die Darstellung der Bilder am Bildschirm
ist etwas schlechter als bei Vektorgrafiken. Beim Ausdrucken ist der Unterschied i.d.R.
unbedeutend.
- Die erstellten VCmaster-Dateien werden
werden oft wesentlich kleiner, wenn Grafiken übergeben werden.
- Pixelgrafiken sind fehlertoleranter als Vektorgrafiken
Automatik:
- Die Automatik wählt für jede Seite in
Abhängigkeit vom Inhalt (z.B. Grafiken oder Text) das optimale
Format aus. Die Automatik ist besonders dann zu empfehlen, wenn die
Ausgaben auf einzelnen Seiten speicherintensive Grafiken enthalten.
Das ist bei vielen Stabwerks- und FE-Programmen der Fall (z.B.
Dlubal). Solche Seiten werden dann automatisch in ein effizientes
JPG-Format konvertiert. Seiten, die Text und Tabellen enthalten,
werden dagegen im Vektorformat übernommen, wenn sie in diesem
ausgegeben werden.
- Die Qualität der Übergabe ist sehr gut. Es
kann zu geringen Farbunterschieden zwischen den Seiten kommen. Beim
Ausdrucken ist der Unterschied i.d.R. unbedeutend.
Leider können wir keine generellen Aussagen treffen. Der Speicherbedarf
und die Qualität der Übergabe und somit die empfehlenswerte Technologie
hängen vom
sendenden Programm ab. Im
Zweifelsfall verwenden Sie bitte die Automatik.
Hinweise zu den Voreinstellungen
Das Bereitstellen beider Formate ist
geringfügig langsamer. Sie können sich in VCmaster gezielt für ein
Übergabeformat entscheiden. Allerdings funktioniert dann die Automatik
nicht mehr. Die Einstellungen finden Sie unter
Extras-Einstellungen-t2W-Schnittstelle.
Im Dialog muss zudem die Auflösung (600, 300 oder 150 dpi) eingestellt
werden. Hinweise zu Schriftarten (insbesondere bei PDF)
t2W kann prinzipiell die Ausgabe aller Programme übernehmen. VCmaster muss die
übergebenen Daten auch darstellen können. Dazu sind Windows-Schriftfonts notwendig.
Das ist problemlos, solange installierte Schriftarten wie Arial, Times Roman oder Courier
genutzt werden. Da Windows-Programme im Regelfall installierte Fonts nutzen,
funktioniert das reibungslos. Kritisch wird es nur, wenn Daten zwischen verschiedenen PC-Systemen
ausgetauscht werden und diese Texte ungewöhnliche Schriftarten enthalten.
Solche Dateien können nur als Bild übernommen werden. VCmaster erkennt diesen Fall
und setzt diese Option automatisch.